На стром генераторе Bosch 150А № 0123520017 для Мерседеса стоит редкий диодный мост № 1127319721, это диодный мост со сдвоенными диодами. Проблема в том, что его обычными способами нельзя проверить.
В диодном мосте № 1127319721 на месте каждого диода стоит два диода, они включены параллельно. Каждый диод рассчитан максимальный ток 50А, поэтому пара в составе диодного моста надежно держит ток 150А
Проблема в том, что параллельные диоды можно проверить только на пробой, потому что если хотя бы один диод в паре пробит прозвонка покажет проводимость в обе стороны. Но, обрыв одного из диодов проверить не получается, потому что прозвонка покажет что диоды исправны. Все это не очень важно, потому что если есть подозрение, что ДМ неисправен его при ремонте надо менять. Тем боле, что при обрыве одного из диодов, второй практически сразу выйдет из строя.
Главный признак неисправности диодного моста, это сильно снижение напряжения при увеличении нагрузки, если при проверке это очевидно, то ДМ надо менять.

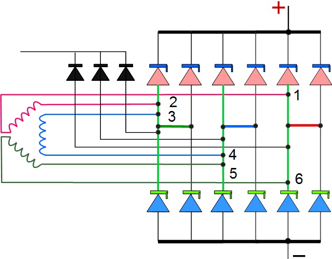
Схема и подключение диодного моста


Этот диодный мост с дополнительными диодами. см.здесь
Обмотка соединяется на этом диодном мосте треугольником.

Зеленые перемычки, на самом деле, не видны, они соединяют обмотку в треугольник. см. здесь